Lap Joint Flens omdefinerer fleksibilitet i rørsystemer, og tilbyr en dynamisk løsning for å håndtere termisk ekspansjon og kontraksjonsspenninger, samtidig som den muliggjør sømløs demontering i lavtrykksapplikasjoner. Ved å kombinere en robust flensring med en svingbar flenskomponent, tillater denne innovative designen kontrollert aksial bevegelse av rørledninger, og absorberer effektivt temperaturinduserte skift uten å gå på bekostning av strukturell integritet. Tilgjengelig i to konfigurasjoner – Butt Weld Ring Type (PJ/SE) for høypresisjonssveisede skjøter og Flat Weld Ring Type (PJ/RJ) for forenklet installasjon – den dekker ulike operasjonelle behov samtidig som den opprettholder lekkasjesikker ytelse. Konstruert av førsteklasses karbonstål eller rustfritt stål, er flensen motstandsdyktig mot korrosjon og mekanisk slitasje, noe som sikrer pålitelighet i bransjer som kjemisk prosessering, vannbehandling og matproduksjon, hvor hyppig vedlikehold eller utstyrsoppgraderinger er rutine.
| Diameter | DN50(2")-DN2000(80") |
| Press | 0,6-2,5 MPa |
| Sertifikat | PED, AD2000, EAC, ABS, BV, DNV, NORSOK M650, ISO9001, ISO14001, ISO45001, etc. |
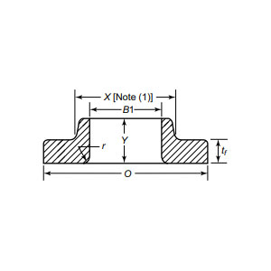
| Funksjonsintroduksjon | Kombinert med flensring og flens, tillater aksial forskyvning av rørledningen og reduserer termisk ekspansjonsspenning. Typer: stumpsveisering (PJ/SE) og flatsveisering (PJ/RJ). Egnet for lavtrykksrørledninger som krever hyppig demontering. |
| Søknadsfelt | Gjelder for rørflensforbindelser i langdistanse olje- og gassrørledninger, offshoreplattformer, kjemisk utstyr, vannbehandlingssystemer og næringsmiddel- og farmasøytisk industri, tilpasset komplekse arbeidsforhold. |
| Pakking | Sjødyktig pakke, kryssfinerkasser eller pall eller i henhold til kundens krav |
| Utvalgte produkter | 1 、 Minimumsbestilling for små partier ; |
Dens roterende mekanisme forenkler justering under montering, reduserer arbeidskostnader og nedetid i systemer som hydraulisk maskineri, HVAC-nettverk eller modulære industrielle oppsett. Ved å isolere flensbevegelser fra rørledningsspenninger, forlenger det levetiden til pakninger og bolter, og reduserer langsiktige erstatningsutgifter. Fra offshore-plattformer som krever termisk kompensasjon til farmasøytiske anlegg som trenger sterile, enkle å rengjøre tilkoblinger, sikrer Lap Joint Flange samsvar med ASME- og EN-standarder samtidig som den tilpasser seg skiftende driftskrav. Støttet av streng testing og allsidig kompatibilitet, gir den ingeniører mulighet til å designe spenstig, fremtidsklar infrastruktur. Oppgrader rørsystemene dine i dag med våre Lap Joint Flanges – der presisjonsteknikk møter adaptiv styrke, slik at virksomheten din kan trives i dynamiske miljøer. Velg fleksibilitet, velg utholdenhet og lås opp en ny æra av effektivitet.
Fra råmateriale til endelig levering opprettholder vi streng kontroll på alle trinn for å sikre holdbarhet, ytelse og konsistens.
01
02
03
04
05
06
07
08
09
10
11
12
