Den gjengede flensen revolusjonerer rørledningstilkoblingen ved å tilby en sikker, sveisefri løsning for sammenføyning av gjengede rør, noe som gjør den til det ultimate valget for miljøer der sikkerhet og tilpasningsevne ikke kan diskuteres. Denne flensen er konstruert med presisjonsgjenger og integreres sømløst med galvaniserte stålrør eller systemer der sveising er forbudt – for eksempel brennbare, eksplosive eller svært følsomme industrielle omgivelser. Dens innovative design eliminerer brannfarer forbundet med sveising, og sikrer overholdelse av strenge sikkerhetsprotokoller samtidig som den leverer en robust, lekkasjesikker tetning som tåler høytrykkskrav. Den gjengede tilkoblingen tillater rask installasjon og demontering, og gir vedlikeholdsteam mulighet til å feilsøke eller oppgradere systemer uten spesialutstyr, og reduserer nedetid i kritiske operasjoner som kjemisk prosessering, olje- og gassdistribusjon eller farmasøytisk produksjon.
| Størrelse | DN15(1/2")-DN600(24") |
| Trykkvurdering | 0,6-4,0 MPa |
| Temperaturområde | -45 ℃ til 260 ℃ |
| Sertifikat | PED, AD2000, EAC, ABS, BV, DNV, NORSOK M650, ISO9001, ISO14001, ISO45001, etc. |
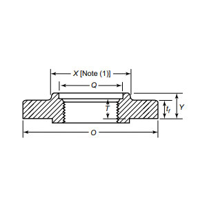
| Funksjonsintroduksjon | Den gjengede flensen kobles til det gjengede røret via innvendig rørgjenge, noe som eliminerer sveising. Ideell for galvaniserte stålrør eller begrensede sveisemiljøer (brennbare/eksplosive). Har enkel installasjon og fleksibelt vedlikehold, spesielt egnet for legert stål og andre materialer med dårlig sveisbarhet. |
| Søknadsfelt | Gjelder for rørflensforbindelser i langdistanse olje- og gassrørledninger, offshoreplattformer, kjemisk utstyr, vannbehandlingssystemer og næringsmiddel- og farmasøytisk industri, tilpasset komplekse arbeidsforhold. |
| Pakking | Sjødyktig pakke, kryssfinerkasser eller paller eller i henhold til kundens krav |
| Utvalgte produkter | 1、Minimumsbestilling for liten batch; |
Ideell for materialer som er utsatt for sveiseutfordringer - som legert stål - gjengeflensen bevarer materialets integritet, og unngår sprøhet eller forvrengning forårsaket av varme. Dens korrosjonsbestandige konstruksjon, tilgjengelig i karbonstål eller rustfritt stål, sikrer lang levetid selv i tøffe miljøer, fra offshore boreplattformer til matgodkjente sanitærsystemer. Støttet av streng overholdelse av globale standarder, garanterer denne flensen pålitelighet i applikasjoner med høy innsats, inkludert hydrauliske systemer, kryogeniske rørledninger og overføringer av brennbare væsker. For bransjer som prioriterer sikkerhet, effektivitet og kostnadseffektivt vedlikehold, er gjenget flens en transformativ løsning. Hev infrastrukturen din i dag med våre førsteklasses gjengeflenser – der innovasjon møter kompromissløs sikkerhet, slik at systemene dine kan fungere feilfritt under de mest krevende forholdene. Velg selvtillit, velg holdbarhet og redefiner rørledningens potensial.
Fra råmateriale til endelig levering opprettholder vi streng kontroll på alle trinn for å sikre holdbarhet, ytelse og konsistens.
01
02
03
04
05
06
07
08
09
10
11
12
