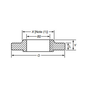
Slip On Flange står som en hjørnestein i kostnadseffektive rørløsninger, og kombinerer enkelhet med pålitelighet for å møte kravene til lavtrykkssystemer. Designet for enkel integrering, glir denne flensen over røret og er sikret via en kilsveis, som effektiviserer installasjonen samtidig som arbeids- og materialkostnadene minimeres – ideell for budsjettbevisste prosjekter uten at det går på bekostning av ytelsen. Den glatte tetningsoverflaten (FF) sikrer lekkasjefri drift i ikke-giftige lavtrykksapplikasjoner som kommunale vannnettverk, HVAC-systemer og generelle industrielle rørledninger, mens den forsterkede konkave-konvekse (MF) overflaten forbedrer tetningsintegriteten for litt mer krevende miljøer.
| Diameterområde | DN15(1/2")-DN3000(119") |
| Trykkvurdering | PN6-PN16 |
| Sertifikat | PED, AD2000, EAC, ABS, BV, DNV, NORSOK M650, ISO9001 ISO14001, ISO45001, etc. |
| Funksjonsintroduksjon | Enkel sveiset struktur, Kostnadseffektiv løsning, Enkel installasjon, FF (Flat Face) for lavtrykks ikke-giftige medier, MF (Male-Female) for forbedret forsegling |
| Søknadsfelt | Gjelder for rørflensforbindelser i langdistanse olje- og gassrørledninger, offshoreplattformer, kjemisk utstyr, vannbehandlingssystemer og næringsmiddel- og farmasøytisk industri, tilpasset komplekse arbeidsforhold. |
| Pakking | Sjødyktig pakke, kryssfinerkasser eller paller eller i henhold til kundens krav |
| Utvalgte produkter | 1、Minimumsbestilling for liten batch; 2、Rask levering; 3、Tilpasset produksjon; |
Laget av slitesterkt karbonstål eller rustfritt stål, motstår det korrosjon og mekanisk påkjenning, noe som gjør det til et allsidig valg for bransjer som spenner fra matforedling til kjemisk produksjon, hvor hygiene og enkelt vedlikehold er prioritert. Den kompakte, lette designen forenkler ettermontering og justering, og reduserer nedetid under systemutvidelser eller reparasjoner. Enten den brukes i landbruksvanning, farmasøytiske anlegg eller marine rør, tilpasser Slip On Flange seg sømløst til forskjellige oppsett, og sikrer samsvar med ASME- og EN-standarder. Ved å balansere rimelig med robust konstruksjon, gir det ingeniører mulighet til å optimalisere infrastrukturkostnadene uten å ofre sikkerheten. Oppgrader rørledningssystemene dine i dag med våre Slip On Flanges – der enkelhet møter styrke, slik at du kan bygge smartere, vedlikeholde enklere og operere med selvtillit. Velg effektivitet, velg pålitelighet og transformer rørledningsinfrastrukturen din i dag.
Fra råmateriale til endelig levering opprettholder vi streng kontroll på alle trinn for å sikre holdbarhet, ytelse og konsistens.
01
02
03
04
05
06
07
08
09
10
11
12
