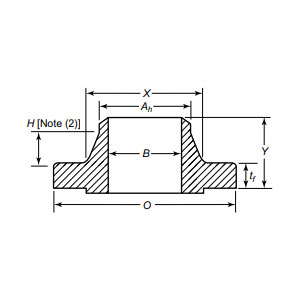
Sveisehalsflensen står som den ultimate løsningen for høytrykks- og høytemperaturmiljøer, konstruert for å levere uovertruffen pålitelighet gjennom sin robuste stumpsveisede forbindelse og presisjonsproduserte tetningsoverflate. Denne flensen er designet for kritiske bruksområder, og integreres sømløst med rørledninger via en stumpsveis med full penetrasjon, og skaper en monolittisk struktur som tåler ekstreme trykk, termiske svingninger og mekaniske påkjenninger – noe som gjør den uunnværlig i oljeraffinerier, petrokjemiske anlegg og kjernekraftsystemer. Den avsmalnende halsdesignen forsterker ikke bare strukturell integritet, men minimerer også stresskonsentrasjonen, og sikrer langsiktig ytelse under krevende forhold. Produksjonsprosessen – som omfatter avansert smiing, stressavlastende varmebehandling, presisjon etterbehandling, streng ikke-destruktiv testing (NDT) og anti-korrosjonsoverflatebehandlinger – garanterer en komponent som overgår industristandarder for sikkerhet og holdbarhet.
| Diameter | DN15(1/2")-DN3500(138") |
| Press | 0,25-25 MPa |
| Sertifikat | PED, AD2000, EAC, ABS, BV, DNV, NORSOK M650, ISO9001, ISO14001, ISO45001, etc. |
| Funksjonsintroduksjon | Stumsveisforbindelse gir høystyrketetning for høytrykk (HP) og høytemperatur (HT) applikasjoner, og sikrer lekkasjesikker ytelse under ekstreme forhold |
| Søknadsfelt | Gjelder for rørflensforbindelser i langdistanse olje- og gassrørledninger, offshoreplattformer, kjemisk utstyr, vannbehandlingssystemer og næringsmiddel- og farmasøytisk industri, tilpasset komplekse arbeidsforhold. |
| Pakking | Sjødyktig pakke, kryssfinerkasser eller paller eller i henhold til kundens krav |
| Utvalgte produkter | 1、Minimumsbestilling for liten batch; |
Fra undersjøiske rørledninger som tåler korrosivt sjøvann til dampturbiner som opererer ved brennende temperaturer, sveisehalsflensen sikrer lekkasjesikker tetning og driftskontinuitet. Bransjer som krever kompromissløs kvalitet, som flyvæskesystemer eller kryogenisk lagring, er avhengige av dens evne til å opprettholde integritet under syklisk belastning og hard medieeksponering. Ved å kombinere overlegen materialresiliens med presisjonsteknikk, reduserer denne flensen livssykluskostnadene gjennom minimal nedetid og vedlikehold. For ingeniører som har til oppgave å sikre infrastruktur med høy innsats, er sveisehalsflensen det definitive valget. Øk systemets ytelse i dag med våre førsteklasses sveisehalsflenser – der banebrytende produksjon møter industriell kvalitet, og gjør operasjonene dine i stand til å overvinne ekstreme trykk, temperatur og tid. Velg fortreffelighet, velg utholdenhet og bygg et fremtidssikkert grunnlag for dine kritiske systemer.
Fra råmateriale til endelig levering opprettholder vi streng kontroll på alle trinn for å sikre holdbarhet, ytelse og konsistens.
01
02
03
04
05
06
07
08
09
10
11
12
